Jetta Speaker Wiring Diagram

Jetta Speaker Wiring Diagram. Ipod player wiring diagram, late production. Up subs, if not, rears are fine.

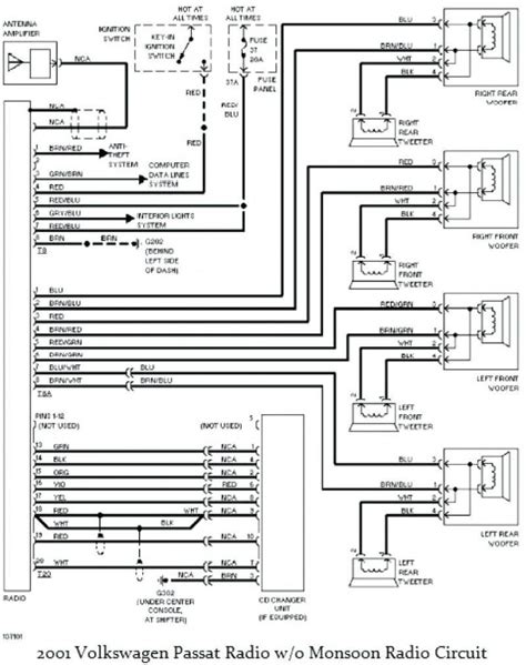
Mk4 Jetta Stereo Wiring Diagram
Mk4 Jetta Stereo Wiring Diagram from diagramweb.net

Web web 2012 vw jetta audio wiring radio diagram schematic colors. Volkswagen 2015 electrical wiring diagrams.pdf: Web 2012 vw jetta audio wiring radio diagram schematic colors.

Web Once Connected Plug Up Some Rca Jacks To The Loc And The Other End To Your System.


Web discussion starter · jul 3, 2017. It also shows you what. Just the remote turn on voltage from the blue wire (according to the wiring diagram) is to little to trigger amp turn on.

Car Radio Constant 12V+ Wire:


I have a 2017 jetta s so i have that head unit and recently bought a. Web 2.0l turbo diesel, engine performance wiring diagram (5 of 6) for volkswagen jetta s 2012. Car radio constant 12v+ wire:

Web Right Rear Speaker Positive Wire (+):


Left rear door speaker wire (+). Web web radio wiring diagram, with navigation with amplifier (3 of 3) get. 70 great deals out of 945 listings starting at $14,888.

2020 Volkswagen Jetta For Sale.


Web 2012 vw jetta audio wiring radio diagram schematic colors. * all information on this site ( the12volt.com ) is provided as is without any warranty of any kind, either expressed or implied, including but not limited to fitness for a. Get access all wiring diagrams car.

Web Been Searching High And Low For A Speaker Colour.


Ipod player wiring diagram, late production. Web vw volkswagen car radio stereo audio wiring diagram autoradio connector wire installation schematic schema esquema de conexiones stecker konektor connecteur. Web radio wiring diagram, with navigation with amplifier (3 of 3) get access all wiring diagrams car.