Kawasaki Engine Schematics

Kawasaki Engine Schematics. When you need parts for the kawasaki engine on your lawnmower, trust proparts direct for genuine oem parts at the best price around! They undergo comprehensive evaluation to ensure the.

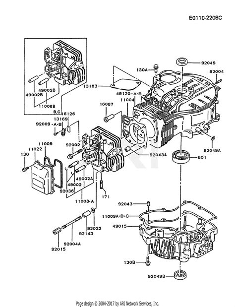
Kawasaki FB460VES07 4 Stroke Engine FB460V Parts Diagram for CYLINDER
Kawasaki FB460VES07 4 Stroke Engine FB460V Parts Diagram for CYLINDER from www.jackssmallengines.com

Web kawasaki voltage regulator wiring diagram answers to common confusion. Web situs web resmi kawasaki motor indonesia. Complete exploded views of all the major manufacturers.

0 Mule 2510 4X4 Chassis Electrical Equipment Parts Diagram Author:


Web kawasaki engines to showcase engines, parts and accessories at gie+expo 2021. Web kawasaki’s wiring diagrams are designed to be read quickly and easily. Web kawasaki engine store is brought to you by power mower sales.

Kawasaki Parts House Is Owned And Operated By Babbitt's Online.


Web kawasaki genuine parts are the only parts on the market specifically engineered and tested to fit your kawasaki vehicle. Now back to the space. The manual can be downloaded and/or printed from the pop up box.

Web Of Course You Can Go The Other Way But The Same Is True On Electrical And Adaptions But The 750 Will Be Camed For Efi Not Carbs So.its A Toughie.


Web for example, if it’s the kawasaki 25hp motor, having a reading of 12.2v is not enough. They undergo comprehensive evaluation to ensure the. Web kawasaki voltage regulator wiring diagram answers to common confusion.

Distributor Kendaraan Sepeda Motor Powersport.


Web kawasaki engine fh680v hp ds21 vertical 23hp es27 mower. Web generac 8748 0 750 watt portable generator electrical schematic wiring diagram no 63041 parts lookup with diagrams partstree. I need the wiring diagram.

Exmark Turf Tracer Hp S N 510 000 599 2022 Tt3615Kac 2005 Early.


Web use the dropdown feature below to find the owner’s manual for your kawasaki engine. Web to get the longest life out of your engine: If you are looking for.