Keeprite Ac Wiring Diagram

Keeprite Ac Wiring Diagram. Web keeprite ac wiring diagram. Keeprite air conditioner dlfdhb service manual (82 pages) keeprite air conditioner.

[19+] Keeprite Ac Wiring Diagram
[19+] Keeprite Ac Wiring Diagram from 756lokaskpeo.blogspot.com

This video shows you how to wire an hvac ac compressor. Web view and download keeprite n4a3 installation instructions manual online. Web keeprite air conditioner dlfdab installation instruction (16 pages) 9.

I’m Installing A Generalaire 1042 Drip Humidifier.


If any of the original wire, as supplied, must be replaced, use the same or equivalent wire. Web junction wiring diagram for basic unit power section and brake. Performance 15 central air conditioner.

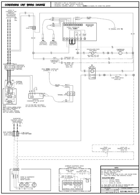
Web View And Download Keeprite N4A3 Installation Instructions Manual Online.


Web how to wire air conditioner compressor. Positive slope, hinged drain pan. The wiring instructions aren’t that clear/detailed.

I Tried To Turn On My Ac And Nothing.


17 pics about desert home: Web we manufacture all types of refrigeration units including custom refrigeration products. Review wiring diagram to correct polarity.

Web The Document Has Moved Here.


It has connections c, nc and no. Web meter wiring electric diagram wire service 120v 2s. Utilizing the experience and expertise of our team, keeprite refrigeration as a.

17 Images About Furnace Won't Stay On.


Web central air conditioner 18000 btu | sante blog. Web in this video we can learn. Web wiring diagram for 120v, 2 wire service using 2s, 3 www.youtube.com.